CCF1-1/4SB


CCF1-1/4SB
CCF1-1/4SB

1.25

0 Reviews
List Price:
$107.63
Price:
$75.34
View quantity discounts
Quantity: qty in stock: 300
Add to Cart
  • Product Specifications
  • Downloads
  • Videos
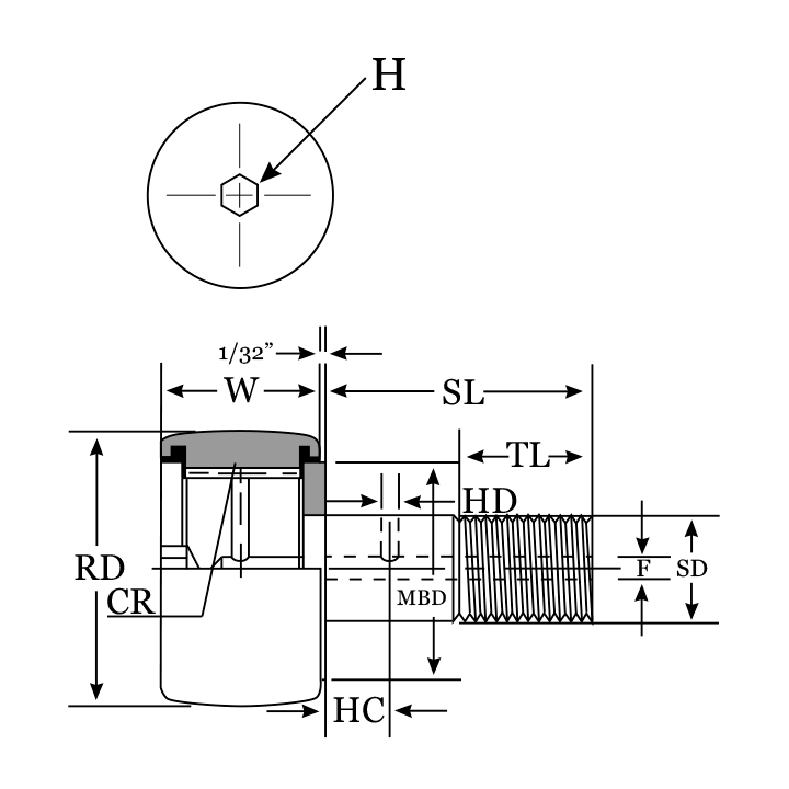
BEARING MATERIAL
CHROME STEEL 52100
Diameter
1.25
DIMENSION TYPE
INCH
Enclosure Material
RUBBER SEAL
Enclosure No.
TWO SEALS
ENCLOSURE TYPE
CONTACT SEAL
Finish - Cam Followers
BLACK OXIDE
Head Type
HEXED
LUBE
GREASE
OVERALL LENGTH (L)
2
RETAINER MATERIAL
CHROME STEEL
Roller Diameter
1.25
Roller Width
0.75
Rolling Element Material
CHROME STEEL
Rolling Element Type
NEEDLE ROLLER
Stud Diameter
0.5
Stud Length
1.25
Thread Length
0.625
WORKING TEMP DEG. C
120

Reviews

0 Reviews

Review this product

Rating